Titanium alloys are lightweight, strong, and weldable materials with low density, low thermal conductivity, and non-toxic, non-magnetic properties.
The electronic industry favors lightweight, compact, stable designs. Thin-walled titanium alloys, with excellent properties, are widely used but remain difficult and costly to form.
This paper presents solutions for forming a thin-walled irregular titanium shell, enhancing machining and assembly accuracy.
Structure of Thin-Walled Irregular Titanium Alloy Shell
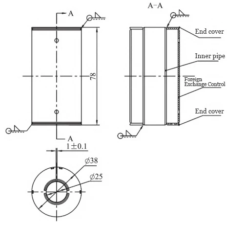
Figure 1 illustrates the thin-walled irregular titanium alloy shell, which forms a semi-enclosed structure and acts as a shielding component.

The shell comprises inner and outer rings with end plates, forming a shielding enclosure of two tubes and two end caps, as shown in Figure 2.
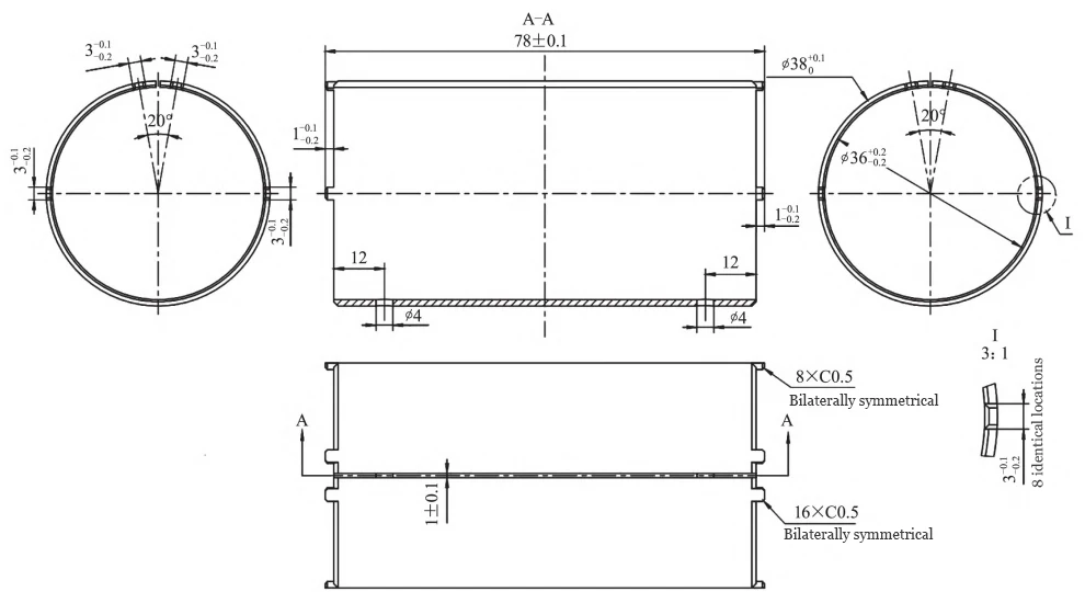
The TC4 titanium shell is 78 mm long, 38/25 mm outer/inner diameter, with a 1 mm seam at ±0.1 mm accuracy.
After machining this thin-walled, irregular housing, operators assemble non-metallic components between the inner and outer tubes.
Designers make at least one end cap removable to accommodate assembly requirements.
The clearance between the internal components and the inner/outer tubes is only 0.5–0.9 mm.
The design ensures the 1 mm seam measures (1 ± 0.1) mm and seals all other seams completely without gaps.

Material Characteristics
Engineers widely use TC4, an α+β titanium alloy, because it provides excellent strength and corrosion resistance, although it has low plasticity and poor hot workability.
Low thermal conductivity and high reactivity make machining titanium alloys difficult, generating high cutting forces, heat, and rapid tool wear.
Overview of Titanium Alloy Thin-Wall Component Machining
Production of titanium thin-wall components depends on structure and batch size, with machining or sheet forming used in early development.
High-precision titanium components are CNC machined, with micro-milling preferred for efficient, complex thin-walled parts.
The irregular thin-walled titanium shell is prone to unpredictable deformation and poor dimensional control, even with micro-milling.
Sheet metal forming technology is the conventional forming process for thin-walled structures.
Cold forming yields simple shapes, but titanium’s low plasticity and work hardening cause springback and inaccuracy.
Aerospace titanium thin-walled parts use hot, superplastic, or advanced sheet forming, meeting precision needs but requiring costly, complex tooling.
In summary, CNC machining or sheet forming alone is impractical for producing thin-walled, irregular titanium shells.
Thus, combining multiple traditional processes offers a viable solution for forming complex thin-walled titanium components.
Process Feasibility Analysis
Before evaluating raw material options, it is necessary to assess the overall feasibility of the proposed manufacturing process, considering material availability, formability, and compatibility with the thin-walled, irregular titanium shell design.
Raw Material Condition
Suppliers rarely provide TC4 tubing, but they offer bars and plates more readily; using tubing that matches part specifications reduces machining.
If tubing is unavailable, optimized process design can enable bar stock and plate stock to meet production needs.
End Cap Forming
We CNC-mill both end caps (Figure 3) from plates or CNC-turn them from bars, achieving accuracy with minimal complexity.
Inner and Outer Tube Forming
We form the inner and outer tubes by sheet roll bending or bar machining; the following analysis examines the outer tube (Figure 4) as an example.
Sheet Metal Cold Forming via Roll Bending
High curvature, low titanium plasticity, and the 1 mm seam actively cause springback, complicating dimensional targets.
Welding deforms the part and misaligns features, and the fixtures fail to offset stresses, producing inconsistent, out-of-spec parts.
Bar Stock Machining Process
This part is formed from bar stock using CNC (turning, milling) and wire EDM.




CNC Machining. CNC turning achieves the radial dimensions of the shell, while CNC milling produces the 1 mm seam and other bosses and holes.
During machining, cutting forces applied to thin walls induce both elastic and plastic deformation away from the tool.
After cutting forces are removed, residual stresses in the metal material cause the thin wall to continue deforming away from the tool.
However, combined with the material’s elastic recovery, the thin wall ultimately springs back toward the tool to some extent.
Machining the 1 mm seam releases stresses, causing shell deformation and preventing φ38+0.1 outer, φ36±0.2 inner, and 1±0.1 mm seam dimensions.
Specialized Forming Processes. Wire EDM achieves the shell’s radial dimensions, while CNC milling produces the 1 mm seam and other bosses/holes.
This method reduces thin-wall deformation but cannot prevent 1 mm seam issues.
Welding
The 1 mm seam is critical, making uniform accuracy and width consistency a key challenge.
Machining the 1 mm seam and welding heat distortions cause misalignment, dimensional errors, and inconsistent quality.
Engineers must use specialized welding fixtures and optimize process flows to meet post-welding dimensional requirements.
Forming Process Solution
To reduce machining complexity and control deformation, a top-down design reverse-engineered the part process from assembly for production-friendly design.
Reducing Machining Complexity
We nest-machine the inner and outer tubes from a single TC4 bar, reducing material removal and simplifying processing.
Wire EDM replaces CNC for titanium, reducing machining difficulty.
We leave the 1 mm seam unmachined until post-welding and then finish it with wire EDM, machining all other dimensions beforehand.
Deformation Control
We slotted the end caps to the tubes for 3D positioning and used a welding fixture to provide axial restraint, stabilizing the assembly and reducing deformation.
During welding, one end cap side is welded while the other remains open for later component assembly.
We mount both end caps onto the inner and outer tubes to control “flanging” deformation caused by single-side welding.
We apply stress-relief annealing before blanking to prevent thin-wall deformation from residual stresses.
TIG welding, ideal for TC4, provides precise thin-wall welds, with deformation controlled via optimized sequence and parameters.
Process Flow
The forming process flow for thin-walled irregular titanium alloy shells is shown in Figure 5.

Specific Process Measures
Specific process measures for forming thin-walled irregular titanium alloy shells:
End caps from plate stock are blanked via CNC shearing and machined in one pass with wire EDM.
If using bar stock, CNC turning is employed, ensuring the 1 mm seam remains unmachined.
Inner and Outer Tube Machining.TC4 titanium alloy bar stock is cut to length using sawing;
Rough turning is performed on the outer tube’s outer diameter and the inner tube’s inner diameter, leaving a 1 mm allowance on one side;
Drill threading holes at appropriate positions between the inner and outer diameters of the bar end face; perform heat treatment for stress relief;
Finish-turn the inner and outer diameters to part dimensions, then wire-cut the inner and outer tubes in two passes from outer to inner;
Clamp with axial plates and machine in two passes to avoid radial deformation; the 1 mm seam remains uncut.
Assembly. Assemble end caps with tubes, using locating slots to prevent rotation and axial separation.
Use specialized welding fixture—C-clamp (Fig. 6)—to fix end caps and inner/outer tube bodies in place.

Welding. Use symmetrical, intermittent welding with C0.5 chamfered edges to control deformation.
Clamp finishing. Smooth the weld seam with the C-clamp in place to prevent assembly interference, reduce stress, and avoid corrosion.
Wire EDM Cutting. The C-clamp fixture remains in place during wire cutting. The 1 mm gap is machined in a single pass to ensure uniformity.
Cleaning. Remove the unwelded end cap and thoroughly degrease all components, especially deep cavities near welds.
Oxidation. To enhance the corrosion resistance of the titanium alloy shell, both end caps and welded assemblies undergo separate oxidation treatment.
Conclusion
When one process is insufficient, combining multiple methods and optimizing the route ensures product precision and meets design requirements efficiently.
This titanium thin-walled shell uses CNC, special processing, welding, and finishing, guiding weak-rigidity metal forming.
FAQ:
TC4 is an α+β titanium alloy known for its exceptional strength-to-weight ratio, corrosion resistance, and weldability. Its low density and non-magnetic, non-toxic properties make it ideal for lightweight aerospace and electronic shielding applications, despite its limited plasticity and challenging machinability.
Titanium’s low thermal conductivity and high chemical reactivity cause excessive heat buildup and rapid tool wear during machining. Thin walls amplify these challenges, leading to elastic deformation, residual stress, and dimensional instability.
The 1 mm seam is critical for assembly and shielding integrity. Even minor deviations (±0.1 mm) can cause gaps, deformation, or misalignment after welding and machining, demanding precise control of process parameters and fixturing.
Irregular geometries with high curvature and tight tolerances lead to springback, stress concentration, and dimensional variation. Titanium’s low ductility further complicates forming and welding, requiring advanced process control and fixture design.
CNC turning and milling define critical dimensions such as the inner and outer diameters and the 1 mm seam. However, due to thin-wall deformation, CNC machining must be complemented by other precision methods like wire EDM for final shaping.
Wire EDM eliminates cutting forces, reducing stress and deformation on thin titanium walls. It also achieves tight tolerances and smooth finishes in areas where traditional tools struggle, such as narrow seams and complex contours.
Welding impacts part alignment, seam integrity, and dimensional precision. TC4 titanium requires controlled TIG welding with specialized fixtures and heat management to prevent distortion, oxidation, and residual stress.
Deformation is minimized by using C-clamp fixtures for symmetrical restraint, applying stress-relief annealing before machining, and performing sequential TIG welding. Maintaining fixture stability during wire EDM further preserves geometry.
Integrating CNC machining, wire EDM, and TIG welding balances precision, material integrity, and cost. This hybrid approach reduces machining time, controls stress, and achieves consistent results even with complex, low-rigidity parts.
Emerging methods like hybrid additive-subtractive manufacturing, adaptive fixturing, and AI-based deformation prediction could further improve precision, efficiency, and cost-effectiveness in complex titanium alloy component production.



